Return to Article List

solar panels on roof

PV Design

PV Design Software

Our goal was to create an efficient way of producing design plans for residential PV systems. This system would have to be fast, accurate and include the requirements of the various AHJs (Authorities Having Jurisdiction).

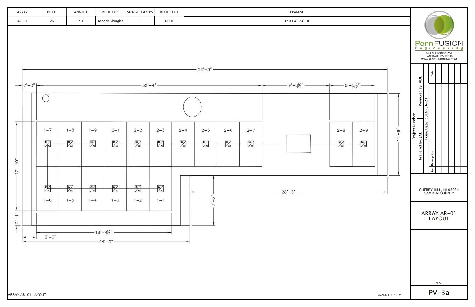
So, we did what any other engineering firm would do, we developed an in-house software application that builds the PV system into a full set of construction documents. The roof is analyzed structurally for soundness and a report is generated to accompany the plans.

The plans consist of a General Notes, Site Plan, Modular layout per array, three line diagram, signage and electrical calculations.

The three line diagram is perhaps the most beneficial component for efficiently preparing the PV plans. Much of the diagram is created automatically so that mistakes are avoided and consistency is maintained.

Contact our office at 215-361-8040 to discuss how our PV Design Software can help get your solar panels on rooftops quickly.